Opis

Klamry ścienne EMU z dystansem służą do montażu prowadnicy górnej do ściany, stosuje się je do skrzydeł o grubości 22~40mm
Oferowana na tej aukcji ilość to 3szt.
System EMU przy skrzydle o wadze do 40kg wymaga zastosowania:
4 szt. klamr dla prowadnic o długościach
- 120 cm
- 140 cm
- 150 cm
- 160 cm
5 szt. klamr dla prowadnic o długościach:
- 180 cm
- 200 cm
przy skrzydle o wadze do 100kg wymagane są następujące ilości klamr:
- 5 szt. dla prowadnicy o długośći 120cm
- 6 szt. dla prowadnicy o długośći 140cm
- 7 szt. dla prowadnicy o długośći 150cm
- 7 szt. dla prowadnicy o długośći 160cm
- 8 szt. dla prowadnicy o długośći 180cm
- 9 szt. dla prowadnicy o długośći 200cm
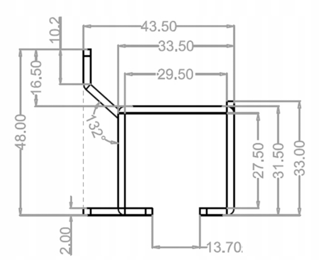
Klamry pasują także do prowadnic innych producentów zgodnych z wymiarami przedstawionymi na sąsiedniej grafice.

Na naszych aukcjach dostępne są pozostałe rodzaje klamr do systemu EMU , same systemy oraz akcesoria do nich.































