Opis

System ATU TWIN przeznaczony jest do mocowania drzwi przesuwnych w szafach.
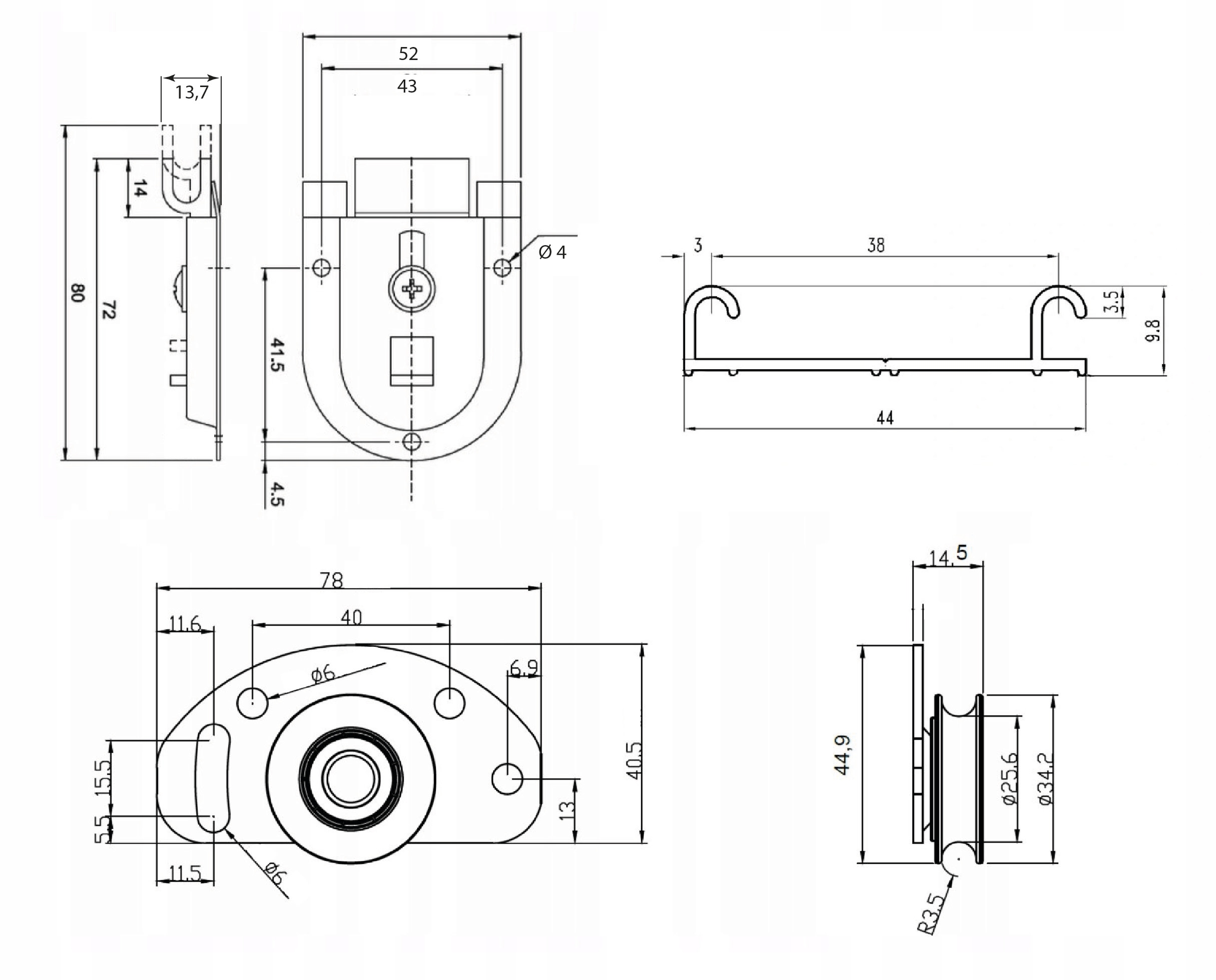
Cechują go łożyskowane wózki dolne, górne prowadniki ślizgowe oraz zespolone tory które ułatwiają montaż systemu.
Zestaw do szafy trzyskrzydłowej.
Charakterystyka:
- wózki dolne łożyskowane ( łożyska kulkowe)
- górne prowadniki ślizgowe
- tory górne/dolne zespolone
- dopuszczalna grubość skrzydeł: 16~22mm
- maksymalna waga pojedynczego skrzydła: 50 kg


Skład zestawu
- Tor aluminiowy górny/dolny dł. 200cm – 2szt
- łożyskowane wózki dolne – 6szt
- górne prowadniki ślizgowe – 6szt
- pozycjonery – 3szt
- kpl. wkrętów mocujących wózki do skrzydeł – 1kpl.
Na pozostałych naszych aukcjach dostępne są:
– systemy z innymi długościami torów:
- 120 cm
- 150 cm
- 180 cm
- 240 cm


– Komplet wózków na dodatkowe skrzydło pozwalający rozbudować zestaw do szafy dwu- lub trzydrzwiowej o dodatkowe skrzydło.











































