Opis

System ATU przeznaczony jest do mocowania drzwi przesuwnych w szafach.
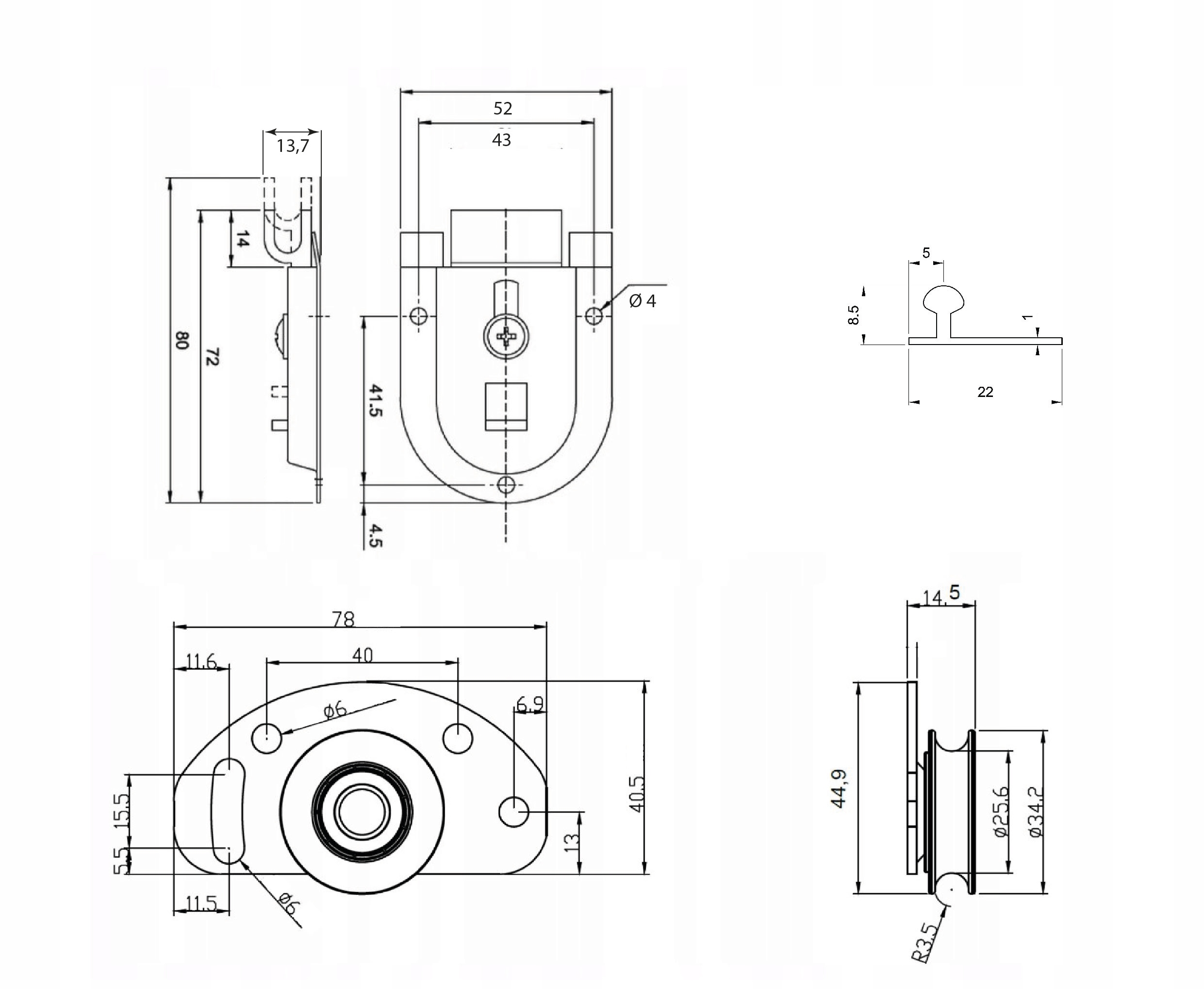
Cechują go łożyskowane wózki dolne, górne prowadniki ślizgowe oraz separowane tory które zapewniają możliwość zastosowania dowolnej grubości materiału na skrzydło drzwiowe.
Zestaw do szafy trzyskrzydłowej.
Charakterystyka:
- wózki dolne łożyskowane ( łożyska kulkowe)
- górne prowadniki ślizgowe
- separowane tory dolne i górne
- minimalna grubość skrzydeł: 16mm
- maksymalna waga pojedynczego skrzydła: 50 kg
Skład zestawu
- Tor aluminiowy górny/dolny dł. 300cm – 4szt
- łożyskowane wózki dolne – 6szt
- górne prowadniki ślizgowe – 6szt
- pozycjonery – 3szt
- kpl. wkrętów mocujących wózki do skrzydeł – 1kpl.

Na pozostałych naszych aukcjach dostępne są:
– systemy z innymi długościami torów:
- 120 cm
- 150 cm
- 180 cm
- 200 cm
- 250 cm
oraz zestawy do szaf dwuskrzydłowych.


– Komplet wózków na dodatkowe skrzydło pozwalający rozbudować zestaw do szafy dwu- lub trzydrzwiowej o dodatkowe skrzydło.














































