Opis

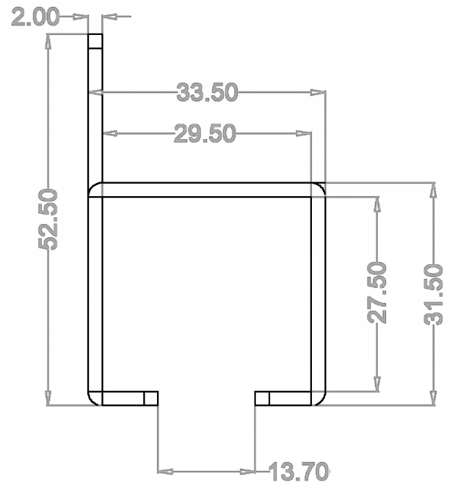
Klamry ścienne bez dystansu służą do montażu prowadnicy górnej do ściany, stosuje się je do skrzydeł o grubości 18~22mm
Oferowana na tej aukcji ilość ( 4szt) jest odpowiednia dla systemów EMU z prowadnicami o długościach 120cm, 140cm, 150cm oraz 160cm przy skrzydle o wadze do 40kg
Klamry pasują także do prowadnic innych producentów zgodnych z wymiarami przedstawionymi na sąsiedniej grafice.

Na naszych aukcjach dostępne są pozostałe rodzaje klamr do systemu EMU , same systemy oraz akcesoria do nich.
































