Opis

Klamry ścienne bez dystansu służą do montażu prowadnicy górnej do ściany, stosuje się je do skrzydeł o grubości 18~22mm
Oferowana na tej aukcji ilość ( 5szt) jest odpowiednia dla systemów EMU z prowadnicami o długościach 180cm i 200cm przy skrzydle o wadze do 40kg
oraz
do systemu EMU z prowadnicą o długości 120cm przy skrzydle o wadze do 100kg

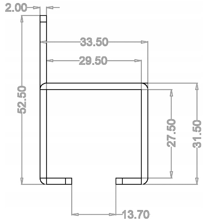
Klamry pasują także do prowadnic innych producentów zgodnych z wymiarami przedstawionymi na sąsiedniej grafice.
Na naszych aukcjach dostępne są pozostałe rodzaje klamr do systemu EMU , same systemy oraz akcesoria do nich.































